據悉,中國廣核近日披露2024年第三季度運營情況。
根據中國廣核電力股份有限公司(以下簡稱“本公司”)之統計,2024年1月至9月份,本公司及其子公司(以下簡稱“本集團”)運營管理的核電機組總發電量約為1,780.69億千瓦時,較去年同期增長4.93%。總上網電量約為1,668.90億千瓦時,較去年同期增長4.97%。
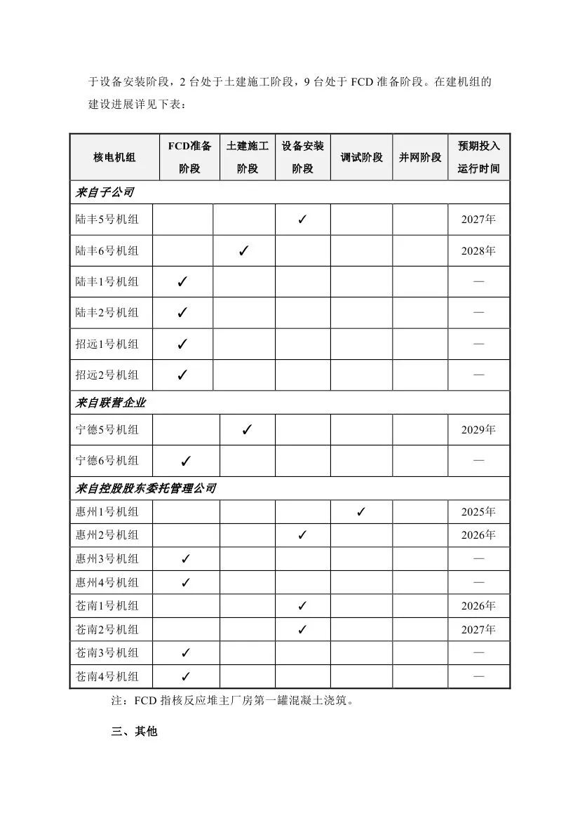
中國廣核表示,截至2024年9月30日,本集團共管理16臺已核準待FCD及在建核電機組(包括本公司控股股東委托本公司管理的8臺機組),1臺處于調試階段,4臺處于設備安裝階段,2臺處于土建施工階段,9臺處于FCD準備階段。在建機組的建設進展詳見下表:

公告全文如下:
















